SBM-160-22
Non-excitation Brakes
Our non-excitation (negative actuation) spring close electromagnetic brakes use a reliable multi-spring mechanism to apply braking force after power is cut off. The design of this redundant system offers very high reliability, making it ideally suited for as a holding brake or emergency stop brake. SBM series is best used as an easily-mounted general-purpose motor.
| Model | SBM-160-22 |
|---|---|
| Static friction torque Nm | 22 |
| Rated voltage DC-V | 90 |
| Power consumption W (at 20°C) | 26 |
| Weight kg | 6.0 |

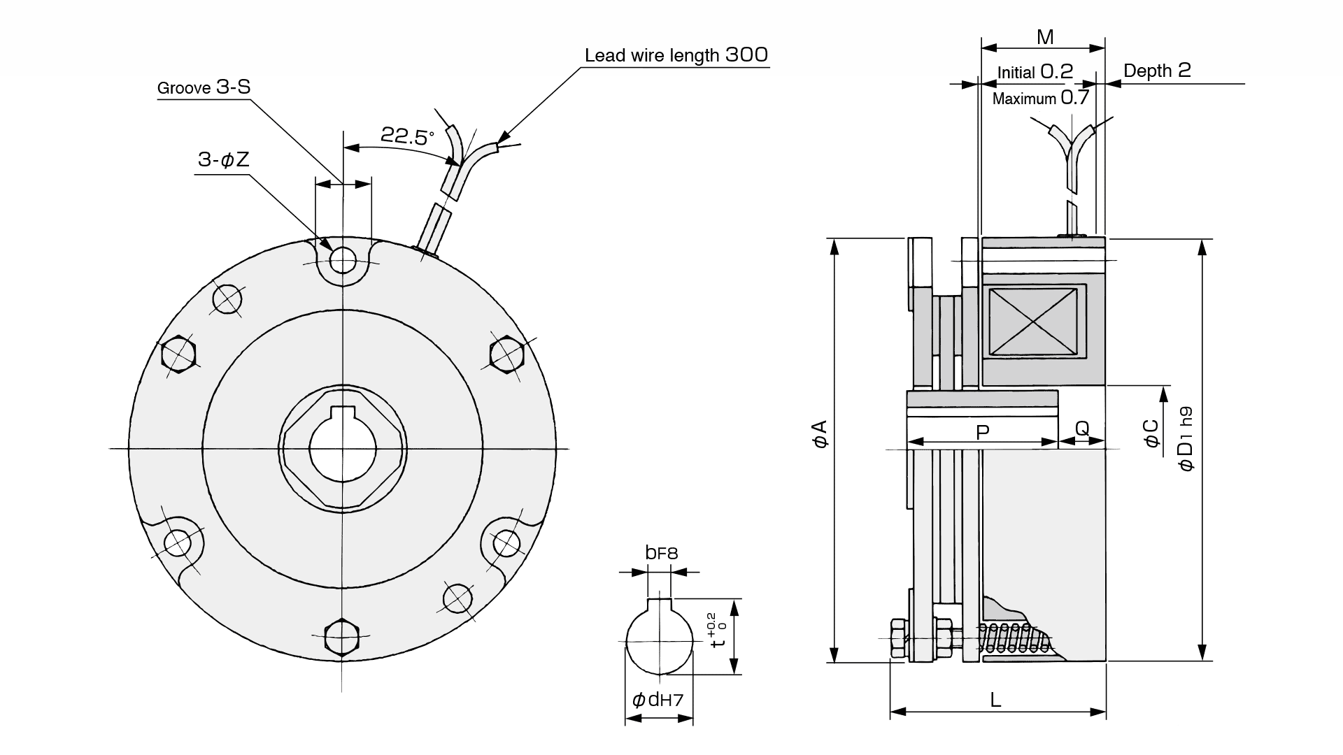
Unit: mm
| Diameter direction | |
|---|---|
| A | 160 |
| C | 50 |
| D1 | 160 |
| Shaft direction | |
|---|---|
| L | 59 |
| M | 31 |
| P | 44 |
| Q | 9 |
| Mounting | |
|---|---|
| P.C.D | 143 |
| S | 16 |
| Z | 9 |
| Shaft hole | |
|---|---|
| d | 22 |
| b | 7 |
| t | 25 |
CAD (2D/3D)
Information obtained from CAD data should be treated as reference only, except for the dimensions shown.
Please note that bolt and tap positions may change.
All information is subject to change without notice due to quality improvement or modification.
SBM-160-22
DXF37 KB



