SFC-825/IMS
Butt shaft clutch
Build-to-order product
With legendary performance and reliability in countless field-proven installations, Warner clutches/brakes can handle your toughest tasks. In addition to automatic gap adjustment that established Warner's position, high torque and impressive thermal dissipation characteristics, we also provide a compact size and ease of mounting to make your next machine automation endeavor a success. As one of the best electromagnetic clutches/brakes, it can easily withstand heavy, high frequency operation while still allowing highly precise on/off times.
| Model | SFC-825/IMS |
|---|---|
| Static friction torque Nm | 180 |
| Rated voltage DC-V | 24 |
| Power consumption W (at 75°C) | 25 |
| Weight kg | 11 |
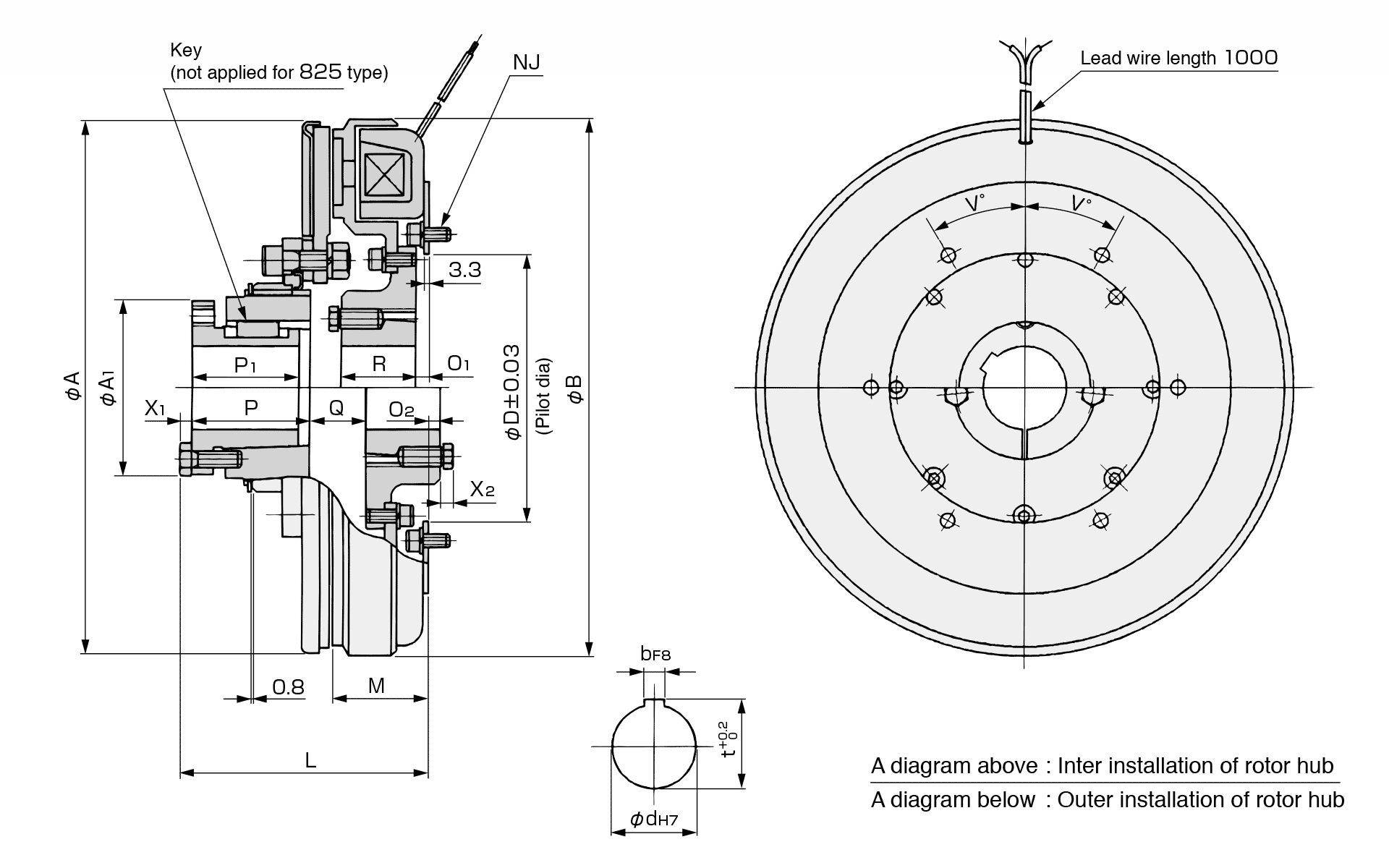
There are 2 ways of rotor hub installation on both above and below center line, and either way is applicable.

Unit: mm
| Diameter direction | |
|---|---|
| A | 218 |
| A1 | 63.5 |
| B | 218 |
| D | 88.95 |
| Shaft direction | |
|---|---|
| L | 105.5 |
| M | 48.4 |
| O1 | 17.5 |
| O2 | 7.1 |
| P | 44.7 |
| P1 | 32 |
| Q | 38.5 |
| R | 25.4 |
| X1 | 4 |
| X2 | 6 |
| Mounting | ||
|---|---|---|
| NJ | Number | 6 |
| P.C.D | 107.9 | |
| Bolt | M8×16 | |
| V | 30 | |
| Shaft hole | |
|---|---|
| d | 28 |
| b | 7 |
| t | 31 |
CAD
Information obtained from CAD data should be treated as reference only, except for the dimensions shown.
Please note that bolt and tap positions may change.
All information is subject to change without notice due to quality improvement or modification.



