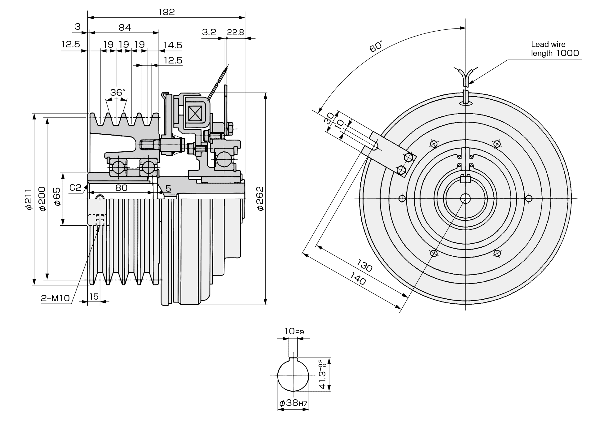
ES-1000-B4-38J
Clutch unit with V pulley
Build-to-order product
This is a reveesible unit which applied bevel gear and warner clutch on bracket. It is possible to immediate switching between normal rotation and reverse of an output shaft by switching clutches from one directional rotation of an input shaft.
| Model | ES-1000-B4-38J |
|---|---|
| Build-in clutch | SF-1000/BMP |
| V belt groove | Type B×4 |
| Pulley nominal diameter φ | 200 |
| Static friction torque Nm | 350 |
| Rated voltage DC-V | 24 |
| Power consumption W (at 75゚C) | 31 |
| Weight kg | 35 |

Unit: mm
CAD
Information obtained from CAD data should be treated as reference only, except for the dimensions shown.
Please note that bolt and tap positions may change.
All information is subject to change without notice due to quality improvement or modification.
ES-1000-B4-38J
DXF143 KB



