Global Network
JA
EN
CN
TH
Clutches and Brakes
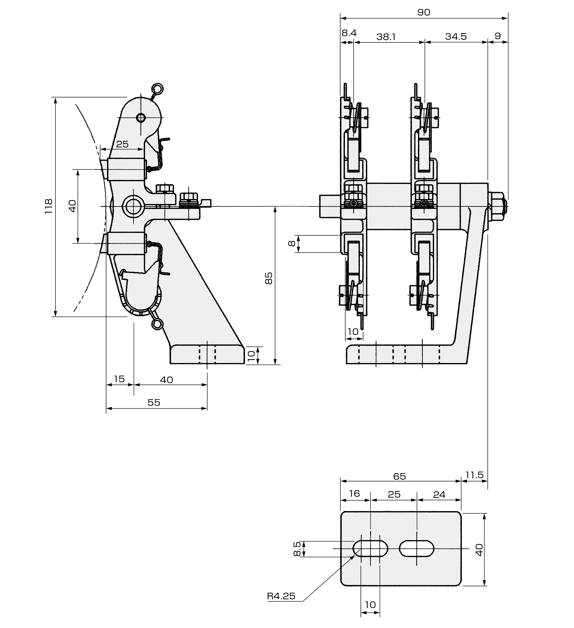
Spring closed large size clutch
Build-to-order product
Unit: mm
CAD Download