JB-10
Brake
A truly state of the art product whose performance and reliability sets it apart from other electromagnetic clutches/brakes. Through the use of our revolutionary "zero backlash auto gap technology" we are able to achieve unparalleled precision and operating life in an easily implemented dry-type single-plate driving electromagnetic clutches/brakes. Additionally, we have included innovations such as an asbestos-free facing on the friction plate, which meets and exceeds expectations with superior motion control performance.
| Model | JB-10 |
|---|---|
| Static friction torque Nm | 100 |
| Rated voltage DC-V | 24 |
| Power consumption W (at 75°C) | 31 |
| Weight kg | 5.7 |

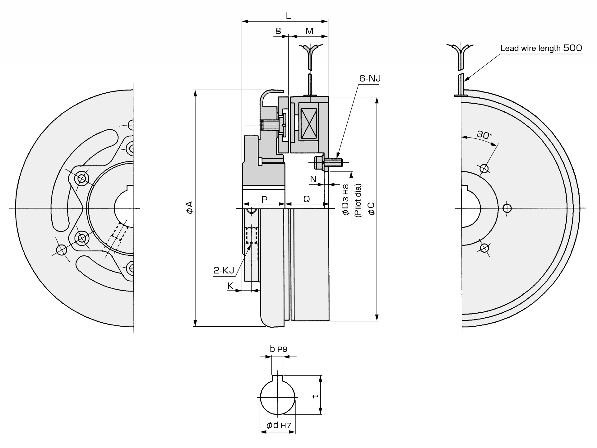
Unit: mm
| Diameter direction | |
|---|---|
| A | 186 |
| C | 175.7 |
| D3 | 58 |
| Shaft direction | |
|---|---|
| L | 68 |
| M | 31 |
| N | 3.5 |
| P | 33.5 |
| Q | 34.5 |
| g | 0.5 |
| Mounting | ||
|---|---|---|
| K | 7 | |
| KJ | M8 | |
| NJ | P.C.D | 72 |
| Bolt | M6×16 | |
| Shaft hole | |
|---|---|
| d | 30 |
| b | 10 |
| t | |
CAD
Information obtained from CAD data should be treated as reference only, except for the dimensions shown.
Please note that bolt and tap positions may change.
All information is subject to change without notice due to quality improvement or modification.



