PHB-20
Naturally cooled brake
We use a special magnetic powder to transmit and control the torque on this series of clutches/brakes. The original powder and advanced structural design create incomparable performance in torque control and slip usage. Our unique materials and manufacturing expertise produce a high quality, nearly spherical powder, which dramatically improves the performance and reliability of our product, truly making this the ideal powder clutch/brake.
| Model |
PHB-20 |
|---|---|
| Rated torque Nm | 200 |
| Rated voltage DC-V | 24 |
| Power consumption W (at 75°C) | 66 |
| Weight kg | 48 |

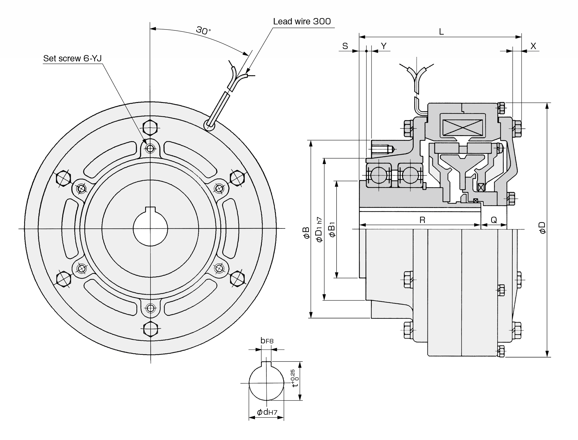
Unit: mm
| Diameter direction | |
|---|---|
| B | 244 |
| B1 | 120 |
| D | 335 |
| D1 | 190 |
| Shaft direction | |
|---|---|
| L | 188 |
| R | 130 |
| Q | 38.5 |
| S | 5 |
| Y | 5 |
| X | 11 |
| Mounting | ||
|---|---|---|
| YJ | P.C.D | 220 |
| Screw | M10×20 | |
| Shaft hole | |
|---|---|
| d | 55 |
| b | 15 |
| t | 60 |
CAD(2D/3D)
Information obtained from CAD data should be treated as reference only, except for the dimensions shown.
Please note that bolt and tap positions may change.
All information is subject to change without notice due to quality improvement or modification.



