ERS-1225A/IMS
Non-excitation Brakes (Splined drive type)
Instead of the usual spring, our non-excitation electromagnetic brakes utilize a strong permanent magnet, allowing us to offer high performance. In addition to incredibly fast response times, we are also able to create a forced stop after the brake is released, making this ideal for use as a safety or emergency brake. Furthermore, we have included the same automatic gap adjustment found in our "Warner" series, and a hassle-free design that does not require adjustment after assembly.
| Model |
ERS-1225A/IMS |
|---|---|
| Static friction torque Nm | 350 |
| Rated voltage DC-V | 24 |
| Power consumption W (at75°C) | 25 |
| Weight kg | 30 |
Red lead wire is connected to(+), blue is to(-)

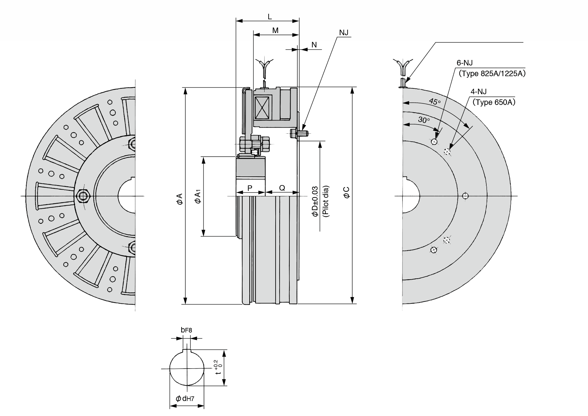
Unit: mm
| Diameter direction | |
|---|---|
| A | 320.7 |
| A1 | 117 |
| C | 318 |
| D | 161.97 |
| Shaft direction | |
|---|---|
| L | 92.9 |
| M | 68.7 |
| N | 3.3 |
| P | 43 |
| Q | 49.9 |
| Mounting | ||
|---|---|---|
| NJ | P.C.D | 184.1 |
| Bolt | M8×16 | |
| Shaft hole | |
|---|---|
| d | 50 |
| b | 12 |
| t | 53.5 |
CAD (2D/3D)
Information obtained from CAD data should be treated as reference only, except for the dimensions shown.
Please note that bolt and tap positions may change.
All information is subject to change without notice due to quality improvement or modification.



