RVXI Series Vibrating Motors
Explosion-proof Design Ensures Safe Performance in Dangerous Environments (d2G4)
The RVX1 Series vibrating motors feature a special explosion-proof design that makes them ideal for use in environments where explosive gases and other dangerous substances are present. Conforming to d2G4 requirements, the RVX1 motors can be used with confidence in Class 1 danger zones and in environments where gases with a G4 ignition temperature are generated.
Example of Application

Features
- Can be used in Class 1 danger zones
The RVX1 Series vibration motors can be used in Class 1 danger zones because of their (d)-type explosion-proof construction, which ensures that the unit remains intact even if explosive gas seeps inside and ignites. Class 1 danger zones are zones in which explosive gases can potentially collect in hazardous densities under normal conditions, or in which repairs, maintenance work, or leaks frequently result in the potential for such gases to collect in hazardous densities. - Can be used in environments where gases with a G4 ignition temperature are present
The RVX1 Series motors can be used with confidence in environments where gases with a G4 ignition temperature (135°C--200°C) are generated. There are five categories of ignition temperature: G1, G2, G3, G4, and G5. The higher the G number, the lower the temperature required to ignite the gas. The G4 category includes such gases as acetaldehyde and ethyl ether. - Approved as a d2G4 product
RVX1 motors meet or surpass all requirements for approval as a d2G4 product in accordance with the Guidelines for Explosion-proof Industrial Electrical Equipment as formulated by the Industrial Safety Research Institute of the Ministry of Labor.
Specifications
Standard Specifications
| Model | Excitation force (kgf) |
Voltage (V) |
Frequency (Hz) |
Output (kW) |
Frequency (VPM) |
Rating | Mounting bolt |
Gross Weight (kg) |
Approval number |
|---|---|---|---|---|---|---|---|---|---|
| RVX1-14B | 250 | 200/220 | 50/60 | 0.1 | 1500/1800 | Continuous | M12 | 24 | 13050 |
| 400/440 | |||||||||
| RVX1-24B | 500 | 200/220 | 50/60 | 0.2 | 1500/1800 | Continuous | M16 | 33 | 13090 |
| 400/440 | |||||||||
| RVX1-44B | 800 | 200/220 | 50/60 |
0.4 |
1500/1800 | Continuous | M20 | 53 | 13091 |
| 400/440 | |||||||||
| RVX1-74B | 1600 | 200/220 | 50/60 | 0.75 | 1500/1800 | Continuous | M24 | 92 | 35571 |
| 400/440 | |||||||||
| RVX1-78B | 1000 | 200/220 | 50/60 | 0.75 | 750/900 | Continuous | M20 |
112 |
26311 |
| 400/440 | |||||||||
| RVX1-154B | 3200 | 200/220 | 50/60 | 1.5 | 1500/1800 | Continuous | M30 | 156 | 14152 |
| 400/440 | |||||||||
| RVX1-158B | 2000 | 200/220 | 50/60 | 1.5 | 750/900 | Continuous | M24 |
206 |
13093 |
| 400/440 |
We do not sell RVX1-74B square relay terminal (with built-in leak breaker).
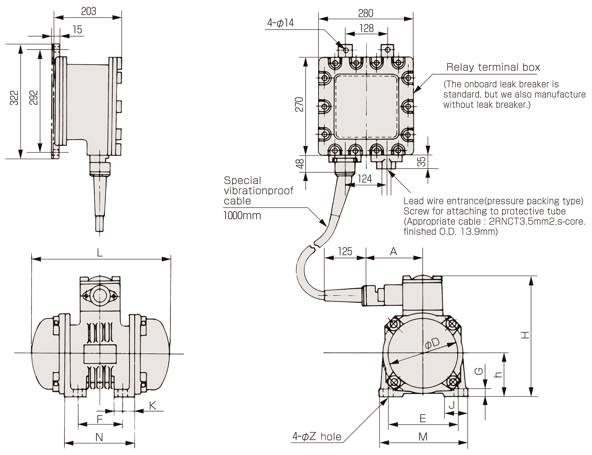
Outer Dimensions

Dimension Table
Unit: mm
| Model | A | D | L | E | F | G | H | J | K | M | N | Z | h |
|---|---|---|---|---|---|---|---|---|---|---|---|---|---|
| RVX1-14B | 127 | 162 | 280 | 160 | 90 | 12 | 256 | 40 | 36 | 190 | 132 | 14 | 90 |
| RVX1-24B | 127 |
187 |
330 | 180 | 100 | 15 | 276 | 50 | 46 | 220 | 152 | 18 | 100 |
| RVX1-44B | 150 | 215 | 386 | 210 |
110 |
18 | 337 | 60 | 56 |
260 |
172 | 22 | 120 |
| RVX1-74B | 150 | 256 | 440 | 260 | 140 | 25 | 372 | 70 | 70 | 320 | 220 | 26 | 140 |
| RVX1-78B | 150 | 294 | 560 | 250 | 210 | 22 | 387 | 60 | 60 | 300 | 280 | 22 | 150 |
| RVX1-154B | 150 | 310 | 556 | 310 | 190 | 30 | 417 | 85 | 90 | 380 | 300 | 33 | 160 |
| RVX1-158B | 150 | 344 | 634 | 300 | 200 | 25 |
437 |
75 | 80 | 360 | 300 | 26 | 175 |
Explosion-proof Specifications
- Type of explosion-proof construction: (d)
- Explosion grade and ignition temperature: 2, G4
- Danger zones in which it can be used: Classes 1 and 2
- Protection required for cables? Yes
- Relay terminal box required? Yes
- Length of special vibration-proof cable connecting the motor to the relay terminal box: 1,000mm
- Method of bringing in a lead wire from outside the terminal box: pressure packing (also possible to use screw-coupled conduit tubes)
- Connection method used for cables inside the terminal box: pressure studs
- Construction of main motor unit: motor, special vibration-proof cable, relay terminal box (with onboard leak breaker)
The special vibration-proof cable prevents vibration-induced short circuits and is therefore a recommended part of a set that also includes the motor itself and the terminal box.
Application Example
Unclogging
Easy to install with a vibrator. Just turn on the switch to unclog and restore smooth flow.

RV type for large capacity chute

RV type for large capacity hopper
Filling the container
Instead of manual labor, the vibrator shakes the container. Powerful for filling bulky materials, molding, and de-shaping.

Filling and molding of large shapes



