Parts Feeder for chip LED
Costomized product
Avoiding clogging by our original method.
This revolutionary parts feeder for chip LED had successes decreasing clogging rate by sorting work pieces on its chute, and suppress reduction of Feeding Rate while static electricity occur. Compared with conventional type, clogging rate had been reduced by pursuing cause of clogging such as gap between chutes.

Work Piece Diagram

Specifications
| Model |
Parts Feeder for chip LED |
|---|---|
| Feeding Rate | 1000pieces/min |
| Achievement Rate | 99.95% |
| Vibration Frequency | 220~360Hz |
| Rated Current |
0.3A |
| Voltage | 100V |
| Weight | approx.30kg |
| Controller | For Parts Feeder: C9-03VFT For Work Sorting: MSC-PS05 |
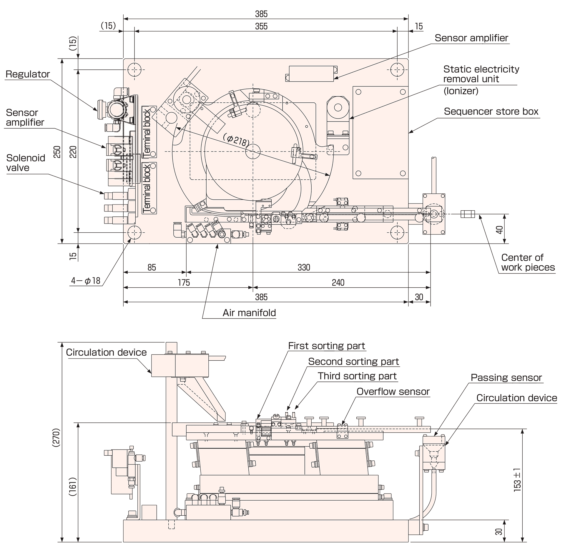
Dimensions

Unit: mm


