Controller
Controller for SF Type Electromagnetic Screen
-
Wall-hung type controller with built-in power switch for start/stop, dial for flow control, rectifier, etc. We can also manufacture a mounted type upon request. Also, we can manufacture integrated control panels that can control from a single unit to several dozen screens at the same time.

left: C4-5B right: C6-15SC
Specifications
Standard Specifications
| Model | Current capacity (A) |
Gross weight (kg) | Applicable load type |
||
|---|---|---|---|---|---|
| C4-5B | 5 | 5 | - | 0.2 | SF-152BDT, SF-212BDT, SF-22BDT |
| C6-15SC | - | 15 | 7.5 | 15 | SFH-below 33BDT |
| C6-30SC | - | 30 | 15 | 15 | SF-44BDT, SF-45BDT |
| C6-50SC | - | 50 | - | 20 | SFH-45BDT, SF-55BDT |
| C6-50SC | - | - | 25 | 15 | SFH-45BDT, SF-55BDT |
| C6-80SC | - | 80 | - | 35 | SF-66BDT, SF-88BDT |
| C6-80SC | - | - | 40 | 20 | SF-66BDT, SF-88BDT |
1. The ratings are all continuous.
2. Structure is indoor wall-hung type.
3. C6 series is dust-proof structure.
4. Paint color is Munsell 5Y 7/1 on both inside and outside.
5. Controller EHF type is also available, which enables constant amplitude control and capacity adjustment by external signal.
6. C4-5B's cover is made of resin.
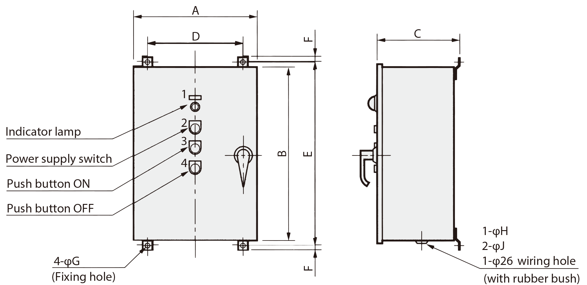
Outer Dimensions

| Model |
Dimensions No. |
Outer Dimensions (mm) | |||||||
|---|---|---|---|---|---|---|---|---|---|
| A | B | C | D | E | F | G | H | ||
| C4-5B | 1 | 85 | 122 | 45 | 72 | 135 | - | 5 | - |
| C6-15SC | 2 | 300 | 400 | 200 | 250 | 420 | 15 | 9 | 26 |
| C6-30SC | 300 | 400 | 200 | 250 | 420 | 15 | 9 | 26 | |
| C6-50SC | 350 | 500 | 270 | 250 | 540 | 15 | 11 | 42 | |
| C6-50SC | 300 | 400 | 200 | 250 | 420 | 15 | 9 | 26 | |
| C6-80SC | 450 | 700 | 270 | 350 | 740 | 20 | 14 | 42 | |
| C6-80SC | 350 | 500 | 270 | 250 | 540 | 15 | 11 | 42 | |
Wiring Diagram

Controller for RVS Type Rotary Vibrating Screen
Start up and shut down can be easily controlled with one button.
A reverse phase braking force occurs at the time of vibrating motor shut down, which makes a conveyor quick stop. This prevents free-shaking and material flow.
Furthermore, reversed phase braking time can be adjusted by a timer, which enables to stop vibration in a suitable time.

Specifications
Standard Specifications
| Model | Current capacity | Gross weight (kg) |
Applicable load type |
|
|---|---|---|---|---|
| 200/220V | 400/440V | |||
| ORV-24×2R | 5A | 3A | 20 | RV-24D |
| ORV-44×2R | 6A | 4A | 20 | RV-44D |
| ORV-74×2R | 9A | 5A | 20 | RV-74D |
| ORV-158×2R | 19A | 10A | 30 | RV-158B |
| ORV-228×2R | 17A | 9A | 30 | RV-228B |
| ORV-378×2R | 27A | - | 60 | RV-378B |
| ORV-378×2R | - | 14A | 30 | RV-378B |
| ORV-558×2R | 31A | - | 60 | RV-558B |
| ORV-558×2R | - | 16A | 30 | RV-558B |
| ORV-758×2R | 41A | 21A | 60 | RV-758B |
1. The ratings are all continuous.
2. Structure is indoor wall-hung type.
3. Paint color is Munsell 5Y 7/1 on both inside and outside.
Outer Dimensions

Dimension Table
Unit: mm
| Model | A | B | C | D | E | F | G | H | J |
|---|---|---|---|---|---|---|---|---|---|
| ORV-24×2R | 400 | 500 | 220 | 300 | 540 | 15 | 11 | 26 | 26 |
| ORV-44×2R | 400 | 500 | 220 | 300 | 540 | 15 | 11 | 26 | 26 |
| ORV-74×2R | 400 | 500 | 220 | 300 | 540 | 15 | 11 | 26 | 26 |
| ORV-158×2R | 450 | 600 | 220 | 350 | 640 | 20 | 14 | 26 | 26 |
| ORV-228×2R | 450 | 600 | 220 | 350 | 640 | 20 | 14 | 26 | 26 |
| ORV-378×2R | 500 | 800 | 270 | 400 | 840 | 20 | 14 | 42 | 26 |
| ORV-378×2R | 450 | 600 | 220 | 350 | 640 | 20 | 14 | 26 | 26 |
| ORV-558×2R | 500 | 800 | 270 | 400 | 840 | 20 | 14 | 42 | 26 |
| ORV-558×2R | 450 | 600 | 220 | 350 | 640 | 20 | 14 | 26 | 26 |
| ORV-758×2R | 500 | 800 | 270 | 400 | 840 | 20 | 14 | 42 | 42 |



