Controller
Controller for Electromagnetic Feeders
The electromagnetic feeder is provided with a separate wall controller that has a power switch, flow control dial, and rectifier built in.
Floor type controllers and other models ranging from a single control type to central type control panel capable of simultaneously controlling dozens of feeders will also be available to order.
A controller with a built-in constant amplitude unit is recommended for applications in which an adhesive material must be fed because it is effective for preventing excessive amplitude due to adhesion.

C4-5B

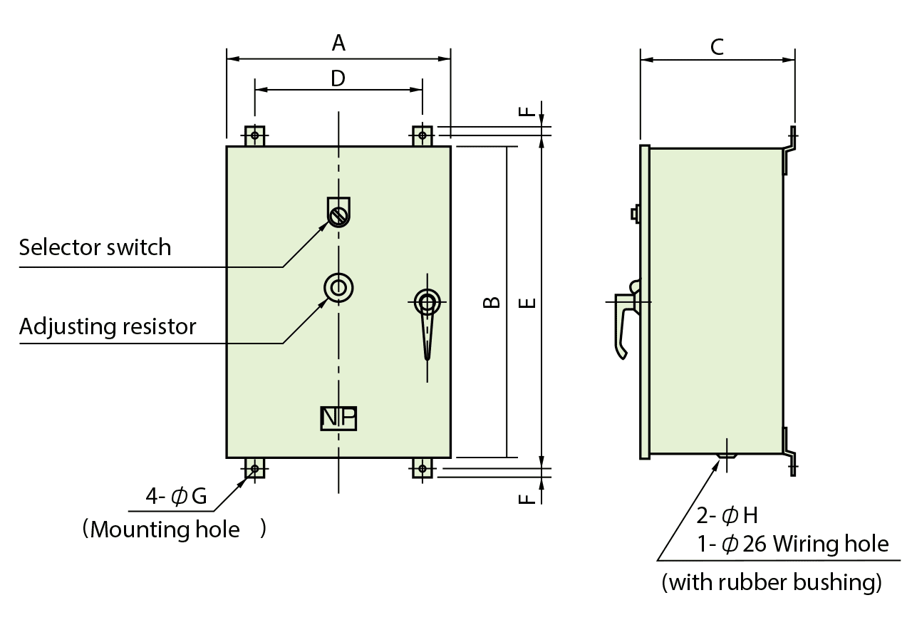
C6-15SC

C10-1VCF
Specifications
Standard Specifications
| Model | Current (A) | Gross weight (kg) |
Feeder model | ||
|---|---|---|---|---|---|
| 100/110V | 200/220V | 400/440V | |||
| C10-1VCF | 1 | 1 | - | 0.8 | CF-1, CF-2, CF-3 |
| C10-3VF | 3 | 3 | - | 0.8 | CF-4 |
| C4-5B | - | 5 | - | 0.2 | F-152BDT, F-212BDT, F-22BDT |
| C6-15SC | - | 15 | 7.5 | 15 | FH-33BDT以下 |
| C6-30SC | - | 30 | 15 | 15 | F-44BDT, F-45BDT |
| C6-50SC | - | 50 | - | 20 | FH-45BDT, F-55BDT |
| C6-50SC | - | - | 25 | 15 | FH-45BDT, F-55BDT |
| C6-80SC | - | 80 | - | 35 | F-66BDT, F-88BDT |
| C6-80SC | - | - | 40 | 20 | F-66BDT, F-88BDT |
1. All the ratings are continuous.
2. C6 series has a dust-proof structure.
3. Concerning the C6 series, we will provide the constant amplitude control type, and the controller EHF type that can adjust the capability by using the external signal.
4. The structure corresponds to that of an indoor wall hanging type.
5. The painting color shown in Figure 3 is Munsell 5Y7/1 for both the inside and outside.
Outer Dimensions
C10-1VCF

C4-5B

C6-□□SC

Dimension Table
| Model | Fig. | Outer Dimensions (mm) | |||||||
|---|---|---|---|---|---|---|---|---|---|
| A | B | C | D | E | F | G | H | ||
| C10-1VCF | 1 | 59 | 140 | 141 | 30 | 160 | 5 | 5 | - |
| C10-3VF | 59 | 140 | 141 | 30 | 160 | 5 | 5 | - | |
| C4-5B | 2 | 85 | 122 | 45 | 72 | 135 | - | 5 | - |
| C6-15SC | 3 | 300 | 400 | 200 | 250 | 420 | 15 | 9 | 26 |
| C6-30SC | 300 | 400 | 200 | 250 | 420 | 15 | 9 | 26 | |
| C6-50SC | 350 | 500 | 270 | 250 | 540 | 15 | 11 | 42 | |
| C6-50SC | 300 | 400 | 200 | 250 | 420 | 15 | 9 | 26 | |
| C6-80SC | 450 | 700 | 270 | 250 | 740 | 20 | 14 | 42 | |
| C6-80SC | 350 | 500 | 270 | 250 | 540 | 15 | 11 | 42 | |



